【产品类别】:管壳式换热器
【产品简述】:一 管壳式换热器结构说明管壳式换热器由壳体、传热管束、管板、折流板(挡板)和管箱等部件组成。壳体多为圆筒形,内部装有管束...
13937364235
- 上一篇:没有了;
- 下一篇:管壳式换热器
一 管壳式换热器结构说明
管壳式换热器由壳体、传热管束、管板、折流板(挡板)和管箱等部件组成。壳体多为圆筒形,内部装有管束,管束两端固定在管板上。进行换热的冷热两种流体,一种在管内流动,称为管程流体;另一种在管外流动,称为壳程流体。为提高管外流体的传热分系数,通常在壳体内安装若干挡板。挡板可提高壳程流体速度,迫使流体按规定路程多次横向通过管束,增强流体湍流程度。换热管在管板上可按等边三角形或正方形排列。
二 优点
温差应力小、清洗方便、结构紧凑、内阻小,适合介质种类多(液—液、气—液、气—气)、应用广泛(化工、医疗、发电、交通、工程机械等)承压高、。
三 缺点:1.结构复杂 2.成本稍高。

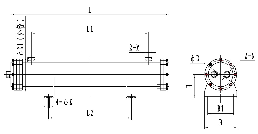
管壳式换热器技术参数
产品型号 | BFGK-1.3 | BFGK-2 | BFGK-3 | BFGK-4.1 | BFGK-6 | BFGK-8 | BFGK-10 | BFGK-12 | BFGK-20 | BFGK-40 |
换热面积 | 1.3 | 2 | 3 | 4.1 | 6 | 8 | 10 | 12 | 20 | 40 |
L | 875 | 972 | 972 | 900 | 975 | 1260 | 1318 | 1460 | 1710 | 2560 |
L1 | 650 | 720 | 720 | 600 | 682 | 770 | 900 | 970 | 1250 | 1700 |
L2 | 500 | 510 | 510 | 500 | 530 | 500 | 700 | 700 | 900 | 1100 |
B | 200 | 200 | 243 | 210 | 240 | 240 | 400 | 240 | 380 | 500 |
B1 | 160 | 160 | 160 | 180 | 200 | 200 | 270 | 200 | 300 | 360 |
D | 210 | 195 | 215 | 260 | 300 | 300 | 360 | 300 | 420 | 580 |
D1 | 145 | 151 | 171 | 204 | 219 | 219 | 258 | 219 | 355 | 480 |
M | G 1(外) | G1 1/2(内) | G1 1/2(内) | G1(外) | 方法兰结构 内孔φ50 法兰连接(42.9*77.8) 8—M12
| 方法兰结构 内孔φ65法兰连接(61.9*106.4) 8—M12
| G1 1/2(外) | 方法兰结构 内孔φ65 法兰连接(61.9*106.4) 8—M12
| DN100 标准法兰 | DN125 标准法兰 |
N | G1(内) | G1(内) | G1(内) | G1(内) | G1(内) | G1(内) | G2(外) 两侧 | G1(内) | 内孔φ65 6—M16在180圆上均布 | DN100 标准法兰 |
K | 13 | 13 | 13 | 13 | 15 | 15 | 8-φ15 | 18 | 18 | 18 |
H | 145 | 145 | 186 | 145 | 234 | 234 | 240 | 234 | 300 | 399 |


